SINGLE PLATE CHECK VALVE
Features:
Design and manufacture:API594,API 6D,JB/T 8937
Face to face dimensions:ANSI B16.10,API 6D,GB/T 12221,DIN 3202,EN558-1
End Connection:ANSI B16.5,ASME B16.47 A/B,ISO 10423,EN1092-1,BS 4505,JIS2210,GB 9112~9124,HG20592~20635 etc
Wall Thickness: API 594, JB/T8937
Testing standard: API598, GB/T1392, DIN3230
Size: 1 1/2″-42″,DN40-DN1000
Pressure rating: Class150~Class600, PN10-100
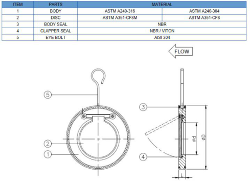
Body:A105,LF2,LF3,F22,F304,F316,F304L,F316L,F51,F53,F55,F44 etc
Disc: SS201,SS304,SS316,Aluminium Bronze
Seat: NBR, EPDM, oil & acid & alkali resistant VITON-A, steam resistant VITON-B, hypalon, PTFE, metal to metal0000
Spring material: 316,Inconel 750,Innconel718 etc
Applicable Medium: water, gas, oil, and other causticity medium.


Size: from 1.1/2″ to 24″
Pressure: 150 – 600LB / PN16 – PN64
Material: A105, AISI304, AISI316, bronze. Sealing, metal, NBR, EPDM, Viton, PTFE
Distance between flanges: API 6D, ASME B16.10, EN558
Connected in accordance with standard: ANSI B16.5, API 605, EN-DIN
Test standard: API598, API 600, ISO5208
Medium: The valve is suitable for several media including water, steam, oil, gas, petrol products, nitric acid, acetic acid, etc.
Working temperature: from -50ºC (stainless steel constructions) and -29ºC (carbon steel constructions) up to 600℃



Reviews
There are no reviews yet.